Bike Wiring Diagram icon

Bike Wiring Diagram

1.0 for Android
3.0 | 5,000+ Installs | Reviews

the JAMBRONG

Description of Bike Wiring Diagram

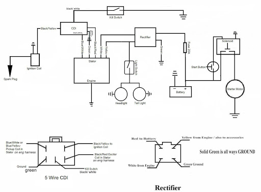
An Application that contains the Bike Wiring Diagram.
A Bike Wiring Diagram is a simple visual representation of the physical connection and physical layout of a system or electrical circuit.
This shows how the electrical cables are interconnected and can also show where equipment and components can be connected to the motor installation system.
You can also search using keywords as follows
1. Bike Wiring Diagram
2. Learn Bike Wiring Diagram
3. Bike Wiring Diagram for Beginner
Hopefully this application can help you in designing the Bike Wiring Diagram,
Thank you

Information

  • Category:
    Productivity
  • Latest Version:
    1.0
  • Updated:
    2018-10-15
  • File size:
    8.1MB
  • Requirements:
    Android 4.1 or later
  • Developer:
    the JAMBRONG
  • ID:
    com.thejambrong.BikeWiringDiagram
  • Available on:
Reviews
  • avatar
    Good
    2020-05-31 12:31