ikon Star Delta Wiring Diagram

Star Delta Wiring Diagram

1.0 for Android
3.0 | 10,000+ Instal

AlMadad Inc

Penjabaran dari 9apps Star Delta Wiring Diagram

I would like to recommend you an application with large number of downloaders. 20,000+ users downloaded Star Delta Wiring Diagram latest version on 9Apps for free every week! In my opinion, you will like this app after use it. This hot app was released on 2018-05-14. Don’t wait any longer– the application will shock you.
Electrical Installation, Electrical Wiring, Law, Hardware, Toroidal Transformer, Electrical Engineering, Electrical Circuit Diagram, Motors, Homemade.
Category :
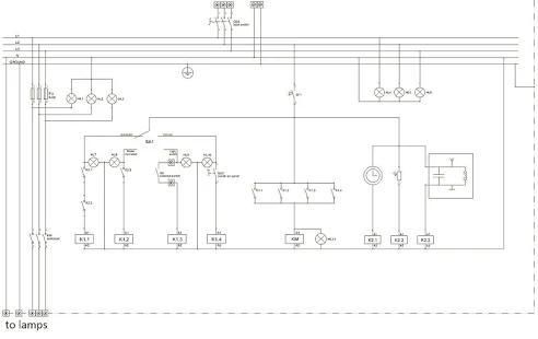
sketch wiring star delta diagram
Wiring Diagram Star Delta
Star Delta Network Diagram Wiring for Starting Motor 3Ph
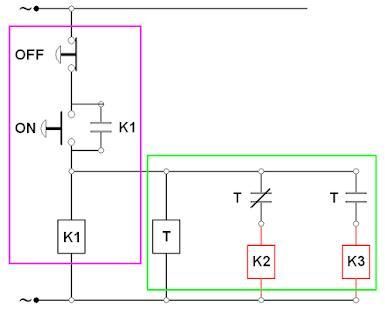
Using Star-Delta Motor Control (With Circuit Diagrams)
wiring diagram star delta connection in 3 phase induction motor
Star delta motor connection
As the name suggests, an outline of the wye-delta starter works in two stages beginning with the motor running winding circuit wye (Y) After a while, the motor release Belita circuit wye and delta winding operating with. Type of control star-delta or wye-delta suitable for applications requiring a lower starting current than when using DOL starter.
Relationship star delta or star-delta or wye-delta is indeed quite popular as the choice of applications that require the consumption of a small current while the start of the motor is turned on but has some drawbacks that make it less an option after the development of reduced-voltage starter that leibh better as soft starter. The only reason for the choice of this starter was a cheaper cost than other reduced voltage starter.
Feature Application :
- Free Application
- Offline and Online App
- Small Size
You can find the best and modern design about Star Delta Wiring Diagram app free. Download Now...
Instalasi Listrik, Kabel Listrik, Hukum, Hardware, Toroidal Transformer, Teknik Elektro, Listrik Circuit Diagram, Motors, Homemade.
Kategori:
kabel sketsa diagram star delta
Wiring Diagram Bintang Delta
Membintangi Delta Jaringan Diagram Wiring untuk Starting Motor 3PH
Menggunakan Star-Delta Motor Control (Dengan Circuit Diagram)
diagram pengkabelan sambungan bintang delta di motor induksi 3 phase
Bintang koneksi bermotor delta
Seperti namanya, garis besar starter Wye-delta bekerja dalam dua tahap awal dengan motor berjalan berliku sirkuit Wye (Y) Setelah beberapa saat, rilis bermotor Belita sirkuit Wye dan delta berliku beroperasi dengan. Jenis kontrol bintang-delta atau Wye-delta cocok untuk aplikasi yang memerlukan arus awal yang lebih rendah daripada ketika menggunakan DOL starter.
Bintang delta hubungan atau bintang-delta atau Wye-delta ini memang cukup populer sebagai pilihan aplikasi yang membutuhkan konsumsi arus kecil sementara awal motor dihidupkan tetapi memiliki beberapa kekurangan yang membuatnya kurang pilihan setelah pembangunan dari pengurangan tegangan starter yang leibh baik sebagai soft starter. Satu-satunya alasan untuk pilihan starter ini adalah biaya yang lebih murah daripada lainnya berkurang tegangan starter.
Aplikasi fitur:
- Aplikasi Gratis
- Offline dan App online
- Ukuran kecil
Anda dapat menemukan yang terbaik dan modern desain tentang Bintang Delta Wiring Diagram aplikasi gratis. Unduh sekarang...

Memperbarui Star Delta Wiring Diagram 1.0

New Category :
- sketch wiring star delta diagram
- Wiring Diagram Star Delta
- Star Delta Network Diagram Wiring for Starting Motor 3Ph
- Using Star-Delta Motor Control (With Circuit Diagrams)
- wiring diagram star delta connection in 3 phase induction motor
- Star delta motor connection

Informasi

  • Kategori:
    Produktivitas
  • Versi Terbaru:
    1.0
  • Perbarui:
    2018-05-13
  • Ukuran File:
    7.5MB
  • Persyaratan:
    Android 4.0.3 or later
  • Diupdate:
    AlMadad Inc
  • ID:
    com.stardelta.wiring.diagram.electrical.engineering.circuit.motor.homemade.installation