Industrial Automation Tutorial आइकन

Industrial Automation Tutorial

1.2 for Android
4.5 | 10,000+ इंस्‍टॉल की संख्या

Peirazo Apps

का वर्णन Industrial Automation Tutorials

It’s time to update your mobile application. 20,000+ users downloaded Industrial Automation Tutorials latest version on 9Apps for free every week! You can find this multifunction app on 9Apps easily. This hot app was released on 2018-01-12. If you like it, just download and enjoy this app!
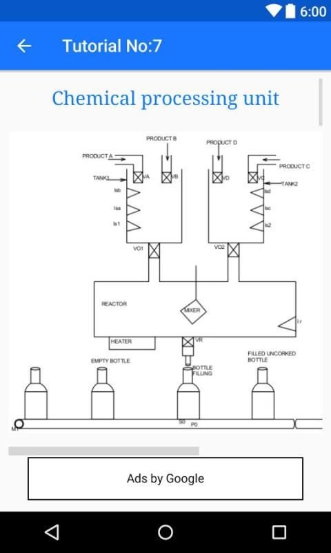
औद्योगिक स्वचालन ट्यूटोरियल औद्योगिक प्रौद्योगिकी के क्षेत्र में व्यक्तियों के लिए समर्पित उन्हें औद्योगिक स्वचालन के विभिन्न अवधारणाओं को समझने में मदद करने के लिए एक मोबाइल अनुप्रयोग है। इस अनुप्रयोग का उपयोग करने के लिए, एक बुनियादी ज्ञान विद्युत प्रौद्योगिकी की सिफारिश की है। कृपया कृपया किसी भी गलत धारणा है इस आवेदन में पाया पर ईमेल द्वारा मुझे संपर्क करें और मैं संभव सुधार के लिए तत्काल कार्रवाई करने के लिए वादा करता हूँ।
        इस आवेदन में इस्तेमाल किया छवियों के अधिकांश इंटरनेट से कर रहे हैं और यदि ऐसा है तो छवि के किसी भी आप के अंतर्गत आता है और आप इसे इस आवेदन में किया जा रहा है साथ सहज नहीं हैं, बस मुझे ईमेल से संपर्क करें और मैं इसे तुरंत दूर करने के लिए वादा करता हूँ।
धन्यवाद

अद्यतन Industrial Automation Tutorials 1.2

Basic tutorials app for industrial control system

जानकारी

  • श्रेणी:
    शिक्षा
  • नवीनतम संस्करण:
    1.2
  • आधुनिक बनायें:
    2018-01-09
  • फाइल का आकार:
    4.3MB
  • जरूरतें:
    Android 4.0.3 या बाद में
  • अपडेट करने की तारीख:
    Peirazo Apps
  • ID:
    com.automation29.forwa.industrialautomation
  • Available on: