Wiring Diagram Star Delta иконка

Wiring Diagram Star Delta

1.0 for Android
3.0 | 10,000+ Количество установок

RutoApps

Описание для Wiring Diagram Star Delta

Electric Installation, Electric Cable, Law, Hardware, Toroidal transformer, Electrical Engineering, Electric Circuit Diagram, Motorcycle, Own Artificial.
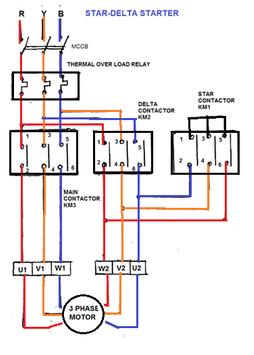
Star Delta or Star-Triangle series is one of 3 ph electromotor starter systems aimed at minimizing the current spikes that occur when the electro motor is operated (Starting).
Category:
sketch of wiring star delta diagram
Star Delta Wiring Diagram
Star Delta Network Wiring Diagram for Starting 3Ph Motor
Using Star-Delta Motor Control (With Circuit Diagram)
wiring diagram of a delta star connection in a 3 phase induction motor
Star delta motor connection.
- Free apps
- Offline and Online App
- Small size
You can find the best and modern designs about the free Star Delta Wiring Diagram app. Download now ...

Информация

  • Категории:
    Работа
  • Последняя версия:
    1.0
  • Обновлено:
    2018-11-21
  • Размер файла:
    4.7MB
  • Требования:
    Android 4.1 или более поздняя
  • Обновлено:
    RutoApps
  • ID:
    com.wiring.diagram.star.delta.homemade.instalation.electrical.engineering.circuit.motor.wiringstartdelta