Voltage Converter Calc иконка

Voltage Converter Calc

1.2 for Android
2.6 | 5,000+ Количество установок

Ilja Lebedevs

Описание для stepupdown

Здесь представляются лучшие и бесплатные приложения для андроид. 20,000+ пользователи скачали последнюю версию stepupdown в 9Apps бесплатно каждую неделю! Это действительно не нужно тратить деньги. Это горячее приложение было выпущено в 2017-12-04. Вам можно бестро получить его из 9Apps!
Преобразователь напряжения Калькулятор

Обновить stepupdown 1.2

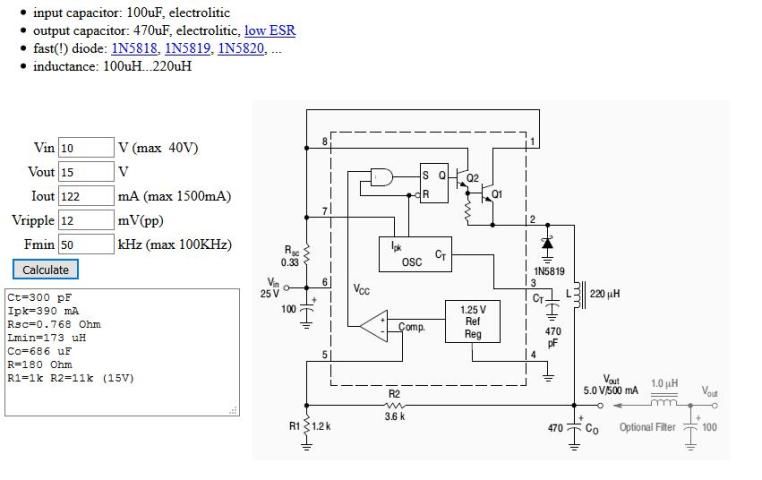
MC34063

Информация

  • Категории:
    Образование
  • Последняя версия:
    1.2
  • Обновлено:
    2017-02-07
  • Размер файла:
    2.2MB
  • Требования:
    Android 4.0.3 или более поздняя
  • Обновлено:
    Ilja Lebedevs
  • ID:
    iljal.stepupdown
  • Available on: