مخطط دلتا ستار الأسلاك أيقونة

مخطط دلتا ستار الأسلاك

1.0 for Android
3.0 | 10,000+ عمليات التثبيت

AlMadad Inc

هذا الوصف ل مخطط دلتا ستار الأسلاك

التركيبات الكهربائية ، الأسلاك الكهربائية ، القانون ، الأجهزة ، المحولات حلقية ، الهندسة الكهربائية ، الرسم البياني الدائرة الكهربائية ، المحركات ، محلية الصنع.
الفئة :
رسم الأسلاك نجم دلتا الرسم البياني
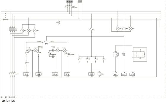
مخطط الأسلاك ستار دلتا
Star Delta Network Diagram Wiring for Starting Motor 3Ph
استخدام Star-Delta Motor Control (مع مخططات الدوائر)
الرسوم البيانية الأسلاك نجمة اتصال دلتا في 3 مرحلة المحرك التعريفي
نجم دلتا موتور اتصال
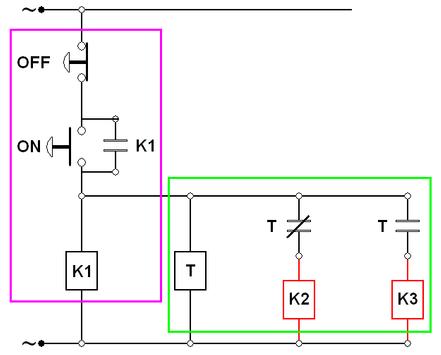
كما يوحي الاسم ، يعمل مخطط لـ wye-delta starter على مرحلتين بدءا من المحرك المتعرج على دارة اللفيف (Y) بعد فترة من الوقت ، يقوم المحرك بإطلاق دارة بليتا ولف تشغيل الدلتا مع. نوع من دلتا النجم أو دلتا - دلتا مناسبة للتطبيقات التي تتطلب تيار انطلاق أقل من عند استخدام بداية DOL.
إن علاقة دلتا النجم أو دلتا النجم أو دلتا الدلتا هي في الواقع شائعة تمامًا مثل اختيار التطبيقات التي تتطلب استهلاك تيار صغير بينما يتم تشغيل المحرك ولكن لديه بعض العيوب التي تجعله خيارًا أقل بعد التطوير من بداية الجهد المنخفض التي leibh أفضل كمبتدئ لينة. وكان السبب الوحيد لاختيار هذا المبدئ هو تكلفة أرخص من غيرها من بداية الجهد المنخفض.
ميزة التطبيق:
- تطبيق مجاني
- غير متصل والتطبيق عبر الإنترنت
- حجم صغير
يمكنك العثور على أفضل وتصميم حديث حول تطبيق Star Delta Wiring Diagram مجانًا. التحميل الان...

المعلومات

  • الفئة:
    الإنتاجية
  • احدث اصدار:
    1.0
  • تحديث:
    2018-05-13
  • حجم الملف:
    7.5MB
  • المتطلبات:
    Android 4.0.3 or later
  • تم التحديث:
    AlMadad Inc
  • ID:
    com.stardelta.wiring.diagram.electrical.engineering.circuit.motor.homemade.installation